
| 모델 Model |
전원 Source (V, Hz) |
날개크기 Impeller Size (mm) |
전류 Current (A) |
극수 Pole (P) |
입력 Input (W) |
최대풍량 Air Volume (㎥/h) |
최대정압 Air Pressure |
회전수 Rated Speed (rpm) |
출력 Output (KW) |
|
| (mmAq) | (Pa) | |||||||||
| ExB-TBP-3245T | 220-440V 3~, 60 | Ø320×35T | 5.1-2.9 | 2 | 1,800 | 2,400 | 285 | 2,793 | 3,460 | 1.5 |
| 220-380V 3~, 50 | 5.7-3.0 | 1,540 | 2,100 | 210 | 2,058 | 2,920 | ||||
| ExB-TBP-3735T |
220-440V 3~, 60 |
Ø370×35T | 8.1-4.5 | 2 | 2,800 | 3,120 | 320 | 3,136 | 3,455 | 2.2 |
| 220-380V 3~, 50 |
6.7-3.6 | 2,300 | 2,730 | 237 | 2,320 | 2,935 | ||||
| ExB-TBP-3765T |
220-440V 3~, 60 |
Ø370×65T | 11.3-6.5 | 2 | 4,200 | 4,020 | 380 | 3,724 | 3,480 | 3.7 |
| 220-380V 3~, 50 |
10.5-6.0 | 3,400 | 3,510 | 280 | 2,745 | 2,975 | ||||


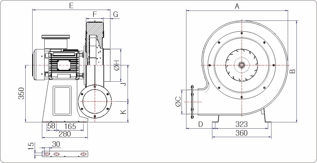
| 모델 | A | B | C | D | E | F | G | H | J | K |
| ExB-TBS-3245T | 540.2 | 579 | 123 | 102.5 | 512.5 | 90 | 72 | 149 | 212.5 | 137.5 |
| ExB-TBS-3735T |
624.4 | 623.5 | 148 | 162 | 464.6 | 108.5 | 28 | 199 | 223 | 127 |
| ExB-TBS-3765T |
624.4 | 623.5 | 148 | 162 | 477 | 108.5 | 40.5 | 199 | 223 | 127 |