
| 모델 Model | 전원 Source (V, Hz) | 날개크기 Impeller Size (mm) | 전류 Current (A) | 극수 Pole (P) | 입력 Input (W) | 최대풍량 Air Volume (㎥/h) | 최대정압 Air Pressure | 회전수 Rated Speed (rpm) | 출력 Output (KW) | |
| (mmAq) | (Pa) | |||||||||
| ExB-TBS-400S | 220V ~, 60 | Ø257×29T | 1.7 | 2 | 390 | 630 | 185 | 1,813 | 3,460 | 0.75 |
| 220V ~, 50 | 1.5 | 410 | 504 | 125 | 1,225 | 2,940 | ||||
| ExB-TBS-400T | 220-440V 3~, 60 | Ø257×29T | 1.4-0.8 | 2 | 330 | 630 | 185 | 1,813 | 3,540 | 0.75 |
| 220-440V 3~, 50 | 1.4-0.8 | 220 | 504 | 125 | 1,225 | 2,970 | ||||
| ExB-TBS-750S | 220V ~, 60 | Ø302×32T | 4.3 | 2 | 740 | 900 | 245 | 2,401 | 3,450 | 0.75 |
| 220V ~, 50 | 2.5 | 720 | 744 | 180 | 1,764 | 2,930 | ||||
| ExB-TBS-750T | 220-440V 3~, 60 | Ø302×32T | 2.1-1.2 | 2 | 710 | 900 | 245 | 2,401 | 3,480 | 0.75 |
| 220-440V 3~, 50 | 1.7-1.1 | 560 | 744 | 180 | 1,764 | 2,940 | ||||


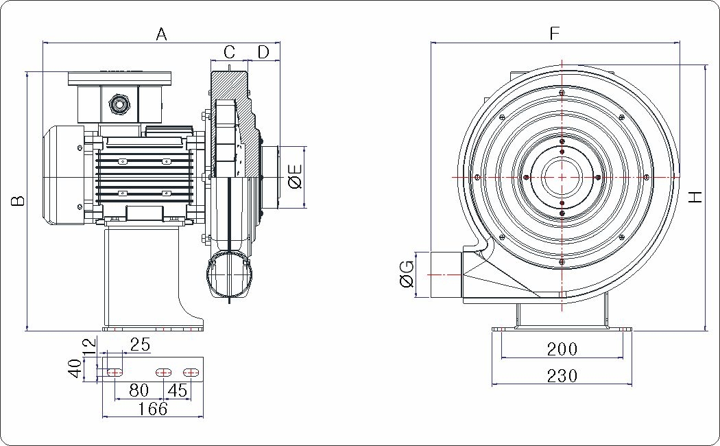
| 모델 | A | B | C | D | E | F | G | H |
| ExB-TBS-400S, 400T |
390 | 425.5 | 60 | 53.5 | 100 | 409 | 75 | 437 |
| ExB-TBS-750S, 750T |
395.5 | 425.5 | 62 | 57 | 124 | 459 | 75 | 454.5 |