내압방폭팬

Home 내압방폭팬 시로코 송풍기
내압방폭 시로코 송풍기 고온용(STEEL: 1.5KW)
모델
ExB-TIS-F310FT, ExB-TIS-F330FT
제조사
이노텍
특징
  • 본 제품의 방폭등급: Ex d IIB T4(IP54), F종.
  • 저소음형 날개 및 케이싱 설계로 저소음 고효율화.
  • 중간 차단팬을 채택한 고온형(흡입온도 150 까지 사용가능).
  • 모타와 날개의 직결형으로 취급 및 설치가 용이.
  • 알루미늄 다이케스팅 모타케이싱 채택으로 냉각효과 극대화.
  • 내압방폭 모타 및 방폭 단자함 적용으로 방폭 1종, 2종 장소에서 발생되는 유해가스 배출
용도
  • 폭발성 가스 저장실, 페인트 저장실 환기, 도장 작업시 환기 및 건조.
  • 맨홀, 탱크등 밀폐공간의 환기, 지하케이블 공사시 유독가스 배출.
  • 각종기기 조립 및 기기 냉각용: 변압기, 건조기, 정류기 등.
  • 공조설비용, 공기조화, 냉.난방송풍, 급.배기용.
       

사양
모델
Model
전원
Source
(V, Hz)
날개크기
Impeller Size
(mm)
전류
Current
(A)
극수
Pole
(P)
입력
Input
(W)
최대풍량
Air Volume
(㎥/h)
최대정압
Air Pressure
회전수
Rated Speed
(rpm)
출력
Output
(KW)
(mmAq) (Pa)
ExB-TIS-F310FT 220-440V 3~, 60
Ø310×160T 7.5-4.34 2,300 5,700 95 931 1,740 1.5
220-440V 3~, 50
6.1-3.5 1,530 4,845 72 706 1,470
ExB-TIS-F330FT
220-440V 3~, 60
Ø330×160T8.2-4.5 4 2,750 8,500 120 1,176 1,716 1.5
220-440V 3~, 50
6.3-4.4 1,680 7,100 83 8131,488
성능곡선
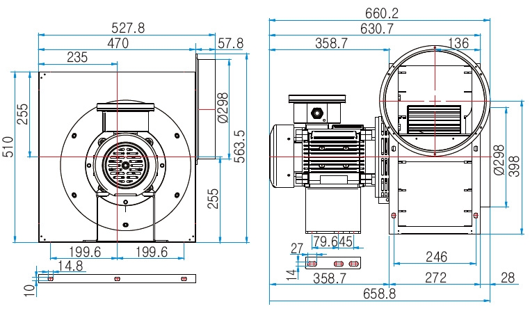
도면치수