
| 모델 Model |
전원 Source (V, Hz) |
날개크기 Impeller Size (mm) |
전류 Current (A) |
극수 Pole (P) |
입력 Input (W) |
최대풍량 Air Volume (㎥/h) |
최대정압 Air Pressure |
회전수 Rated Speed (rpm) |
출력 Output (KW) |
|
| (mmAq) | (Pa) | |||||||||
| ExB-TIS-280FS | 220V ~, 60 | Ø250×130T | 6.3 | 4 | 1,280 | 3,810 | 65 | 637 | 1,740 | 1.5 |
| 220V ~, 50 | 5.4 | 935 | 3,000 | 45 | 441 | 1,465 | ||||
| ExB-TIS-280FT |
220-440V 3~, 60 | Ø250×130T |
4.4-2.8 | 4 | 1,220 | 3,810 | 65 | 637 | 1,734 | 1.1 |
| 220-440V 3~, 50 |
3.8-2.4 | 890 | 3,000 | 45 | 441 | 1,470 | ||||
| ExB-TIS-290FS |
220V ~, 60 | Ø250×150T | 6.5 | 4 | 1,420 | 4,830 | 66 | 647 | 1,740 | 1.5 |
| 220V ~, 50 | 5.6 | 1,190 | 3,940 | 46 | 451 | 1,465 | ||||
| ExB-TIS-290FT |
220-440V 3~, 60 |
Ø250×150T | 4.4-2.5 | 4 | 1,420 | 4,830 | 66 | 647 | 1,734 | 1.1 |
| 220-440V 3~, 50 |
3.8-2.4 | 1,205 | 3,940 | 46 | 451 | 1,470 | ||||
| ExB-TIS-280GS |
220V ~, 60 | Ø250×150T |
2.1 | 6 | 440 | 3,240 | 27 | 265 | 1,130 | 0.4 |
| 220V ~, 50 | 1.7 | 320 | 2,820 | 21 | 206 | 967 | ||||
| ExB-TIS-280GT |
220-440V 3~, 60 |
Ø250×150T |
1.5-0.9 | 6 | 470 | 3,240 | 27 | 265 | 1,154 | 0.4 |
| 220-440V 3~, 50 |
1.7-0.9 | 330 | 2,820 | 21 | 206 | 978 | ||||


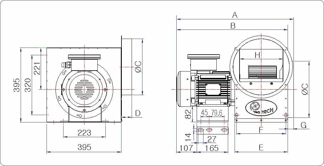
| 모델 | A | B | C | D | E | F | G | H |
| ExB-TIS-280FS ExB-TIS-280FT | 575.2 | 556.6 | 248 | 40 | 250 | 230 | 18.6 | 199.7 |
| ExB-TIS-290FS ExB-TIS-290FT | 617.5 | 586.5 | 298 | 56 | 280 | 260 | 31 | 230 |
| ExB-TIS-280GS ExB-TIS-280GT | 575.2 | 556.6 | 248 | 40 | 250 | 230 | 18.6 | 199.7 |