내압방폭팬

Home 내압방폭팬 고압다단 송풍기
내압방폭 고압 송풍기 270(0.75KW)
모델
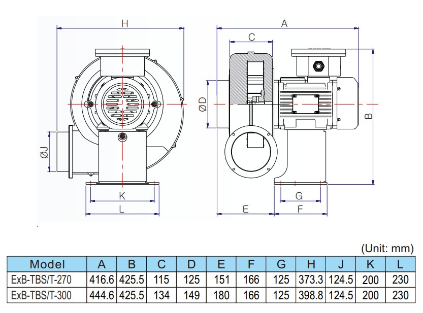
ExB-TBS-270, ExB-TBT-270, ExB-TBS-300, ExB-TBT-300
제조사
이노텍
특징
  • 본 제품의 방폭등급: Ex d IIB T5, IP54, F종.
  • 고풍압을 요하는 장소에 적합한 기종으로 강력한 흡입력과 토출되는 풍압이 크다.
  • 최적의 설계제작으로 운전효율 및 경제성이 높음.
  • 내압방폭 모타 및 방폭 단자함 적용으로 방폭 1종, 2종 장소에서 발생되는 유해가스 배출.
용도
  • 공장, 상가, 빌딩 등의 일반환기, 냉.난방 송풍, 공기조화.
  • 급.배기용으로 사용.
  • 농축산용(돈사, 계사) 비닐하우스, 축사 등의 환기 및 급기.
사양

모델
Model
전원
Source
(V, Hz)
날개크기
Impeller Size
(mm)
전류
Current
(A)
극수
Pole
(P)
입력
Input
(W)
최대풍량
Air Volume
(㎥/h)
최대정압
Air Pressure
회전수
Rated Speed
(rpm)
출력
Output
(KW)
(mmAq) (Pa)
ExB-TBS-270 220V ~, 60 Ø205
3.1 2 690 1,200 170 1,666 3,375 0.75
220V ~, 50 2.1 506 1,080 130 1,274 2,835
ExB-TBT-270
220-440V 3~, 60
Ø205
2.2-1.3 2 700 1,200 170 1,666 3,487 0.75
220-440V 3~, 50
1.8-1.0 430 1,080 130 1,274 2,940
ExB-TBS-300
220V ~, 60
Ø275
3.7 2 830 1,380 190 1,862 3,300 0.75
220V ~, 50
2.4 540 1,200 145 1,421 2,860
ExB-TBT-300
220-440V 3~, 60
Ø275 2.5-1.5 2 870 1,380 190 1,862 3,435 0.75
220-440V 3~, 50
1.9-1.1 520 1,200 145 1,421 2,925


성능곡선
도면치수