내압방폭팬

Home 내압방폭팬 내압방폭 모타
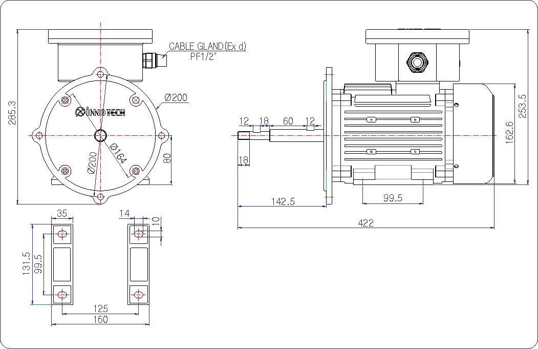
내압방폭 모타(ExM-138)
모델
ExM-138L-075S, 138L-075T, ExM-138S-075S, 138S-075T, ExM-138G-075S, 138G-075T, ExM-138-100S, 138100T
제조사
이노텍
특징
  • 본 제품의 방폭등급: Ex d IIB T5(IP54), F종 프리미엄급(IE3) 삼상모타.
  • 저소음형.
  • 알루미늄 다이케스팅 모타케이싱 채택으로 냉각효과 극대화.
용도
  • 송풍기, 배풍기, 시로코 송풍기, 기계부착 및 각종 환기장치용.
사양

모델
Model
정격전압
(V)
주파수
(Hz)
출력
(KW)
전류
(A)
극수
(P)
회전수
(rpm)
베아링 번호 절연등급
ExM-138L-075S
ExM-138S-075S
220V ~ 60 0.75 4.80 2 3,420

2,710
DE:6204ZZ
N-DE:6203ZZ
F
220V ~ 50 4.29
ExM-138L-075T
ExM-138S-075T
440V 3~ 60 0.75 1.36 2 3,420

2,860
DE:6204ZZ
N-DE:6203ZZ
F
380V 3~ 60 1.63
380V 3~
50 1.56
220V ~ 60 2.82
220V ~ 50 2.71
ExM-138-075S
ExM-138G-075S
220V ~ 60 0.75 4.80 2 3,420

2,710
DE:6204ZZ
N-DE:6203ZZ
F
220V ~ 50 4.29
ExM-138-075T
ExM-138G-075T
440V 3~
60 0.75 1.36 2 3,240

2,860
DE:6204ZZ
N-DE:6203ZZ
F
380V 3~
60 1.63
380V 3~
50 1.56
220V ~ 60 2.82
220V ~ 50 2.71
ExM-138-100S
ExM-138G-100S
220V ~
60 1.1 6.76 2 3,480

2,720
DE:6204ZZ
N-DE:6203ZZ
F
220V ~ 50 7.39
ExM-138-100T
ExM-138G-100T
440V 3~
60 1.1 2.21 2 3,510

2,900
DE:6204ZZ
N-DE:6203ZZ
F
380V 3~
60 2.18
380V 3~
50 2.52
220V ~ 60 3.77
220V ~ 50 4.37


도면치수