송풍기

Home 송풍기 터보 송풍기
터보 송풍기(STEEL: 3HP, 5HP)
모델
TBS-3735S, TBS-3735T, TBS-3765T
제조사
이노텍
특징
  • 고풍압을 요하는 장소에 적합한 기종으로 강력한 흡입력과 토출되는 풍압이 크다.
  • 스틸&스텐레스 케이스를 채택해 열악한 환경 및 유해성분(분진, 가스, 고온의 공기)을 
    취급하는 곳에 적합한 구조.
용도
  • 공기수송장치, 소각로, 식품회사, 농.축산용 시설, 산업용 고압브로아, 슬러지 회수장치 등
    집진용, 흡.배기용, 건조용으로 사용. 
사양
모델
Model
전원
Source
(V, Hz)
날개크기
Impeller Size
(mm)
전류
Current
(A)
극수
Pole
(P)
입력
Input
(W)
최대풍량
Air Volume
(㎥/h)
최대정압
Air Pressure
회전수
Rated Speed
(rpm)
중량
Weight
(Kg)
(mmAq) (Pa)
TBS-3735S 220V ~, 60 Ø370×35T 12.5 2 2,740 3,120 320 3,136 3,450 37.0
220V ~, 50 11.5 2,130 2,730 237 2,320 2,915
TBS-3735T
220-380V 3~, 60
Ø370×35T 8.5-4.8 2 2,600 3,120 320 3,136 3,450 36.5
220-380V 3~, 50
9.5-5.4 1,800 2,730 237 2,320 2,915
TBS-3765T
220-380V 3~, 60
Ø370×65T 12.0-6.7 2 3,770 4,020 380 3,724 3,460 39.0
220-380V 3~, 50
12.0-6.8 2,500 3,510 280 2,745 2,980
성능곡선
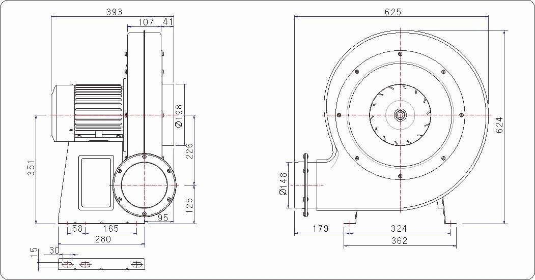
도면치수