
| 모델 Model |
전원 Source (V, Hz) |
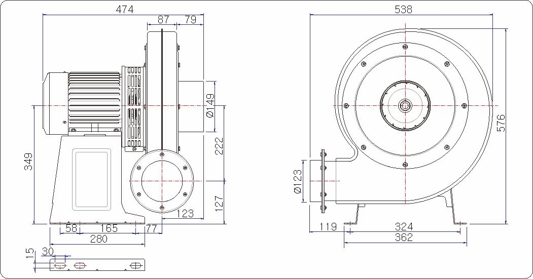
날개크기 Impeller Size (mm) |
전류 Current (A) |
극수 Pole (P) |
입력 Input (W) |
최대풍량 Air Volume (㎥/h) |
최대정압 Air Pressure |
회전수 Rated Speed (rpm) |
중량 Weight (Kg) |
|
| (mmAq) | (Pa) | |||||||||
| TBP-S3245S | 220V ~, 60 | Ø320×45T | 7.6 | 2 | 1,670 | 2,400 | 285 | 2,972 | 3,460 | 33.2 |
| 220V ~, 50 | 5.6 | 1,120 | 2,100 | 210 | 2,058 | 2,920 | ||||
| TBP-S3245T |
220-380V 3~, 60 |
Ø320×45T | 5.2-2.9 | 2 | 1,630 | 2,400 | 285 | 2,973 | 3,460 | 33.2 |
| 220-380V 3~, 50 |
5.0-2.9 | 1,040 | 2,100 | 210 | 2,058 | 2,920 | ||||

