
| 모델 Model |
전원 Source (V, Hz) |
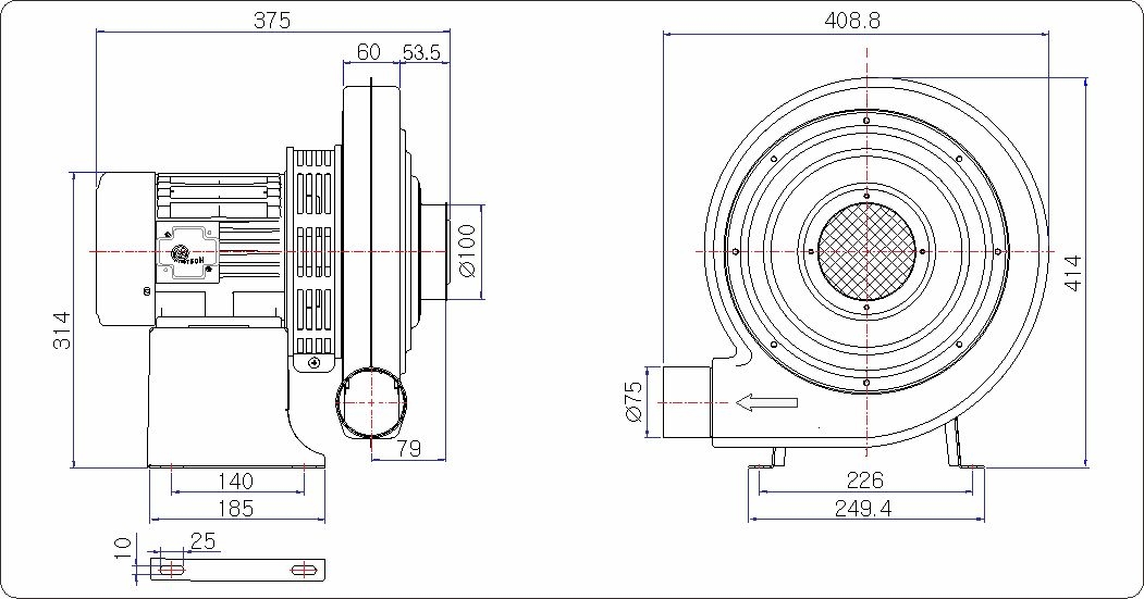
날개크기 Impeller Size (mm) |
전류 Current (A) |
극수 Pole (P) |
입력 Input (W) |
최대풍량 Air Volume (㎥/h) |
최대정압 Air Pressure |
회전수 Rated Speed (rpm) |
중량 Weight (Kg) |
|
| (mmAq) | (Pa) | |||||||||
| TBP-S400S | 220V ~, 60 | Ø257×29T | 1.8 | 2 | 390 | 630 | 185 | 1,813 | 3,500 | 15.3 |
| 220V ~, 50 | 1.9 | 410 | 504 | 125 | 1,225 | 2,950 | ||||
| TBP-S400T |
220-380V 3~, 60 | Ø257×29T |
1.1-0.6 | 2 | 330 | 630 | 185 | 1,813 | 3,400 | 15.3 |
| 220-380V 3 ~, 50 |
0.9-0.5 | 220 | 504 | 125 | 1,225 | 2,900 | ||||

