송풍기

Home 송풍기 터보 송풍기(원심형)
터보 원심형(STEEL: 390W)
모델
TBS-400S, TBS-400T
제조사
이노텍
특징
  • 고풍압을 요하는 장소에 적합한 기종으로 강력한 흡입력과 토출되는 풍압이 크다.
  • 스틸&스텐레스 케이스를 채택해 열악한 환경 및 유해성분(분진, 가스, 고온의 공기)을 
    취급하는 곳에 적합한 구조.
  • 차단팬 채택으로 고온용에 적합(S-Type)
용도
  • 공기수송장치, 소각로, 식품회사, 농.축산용 시설, 산업용 고압브로아, 슬러지 회수장치 등
    집진용, 흡.배기용, 건조용으로 사용. 
사양
모델
Model
전원
Source
(V, Hz)
날개크기
Impeller Size
(mm)
전류
Current
(A)
극수
Pole
(P)
입력
Input
(W)
최대풍량
Air Volume
(㎥/h)
최대정압
Air Pressure
회전수
Rated Speed
(rpm)
중량
Weight
(Kg)
(mmAq) (Pa)
TBS-400S 220V ~, 60 Ø257×29T 1.8 2 390 630 185 1,813 3,500 15.3
220V ~, 50 1.9 410 504 125 1,225 2,950
TBS-400T
220-380V 3~, 60
Ø257×29T
1.1-0.6
2
330 630 185 1,813 3,400
15.3
220-380V 3 ~, 50
0.9-0.5 220 504 125 1,225 2,900
성능곡선
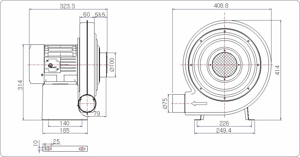
도면치수