송풍기

Home 송풍기 소형 시로코 송풍기
소형 시로코(SUS: 40, 80W)
모델
TIS-100TS(sus), TIS-100FS(sus)
제조사
이노텍
특징
  • 저소음형 날개 및 케이싱 설계로 저소음 고효율화.
  • 모타와 날개의 직결형으로 소형, 경량화하여 취급 및 설치가 용이.
  • 설치 상태에서 모타와 날개의 분리가 가능해 점검 및 보수용이.
  • 외형의 각형 구조로 시공성 향상.
  • 알루미늄 다이케스팅 모터케이싱 채택으로 냉각효과 극대화.
용도
  • 공조설비용, 국부배기 및 급기용, 일반환기용.
  • 각종 기기 부착 및 집진 장치용.
사양
모델
Model
전원
Source
(V, Hz)
날개크기
Impeller Size
(mm)
전류
Current
(A)
극수
Pole
(P)
입력
Input
(W)
최대풍량
Air Volume
(㎥/h)
최대정압
Air Pressure
회전수
Rated Speed
(rpm)
중량
Weight
(Kg)
(mmAq) (Pa)
TIS-100TS(SUS) 220V ~, 60 Ø105×60T 0.38 2 80 286 30 294 2,980 3.2
220V ~, 50 0.25 56 250 21 206 2,710
TIS-100FS(SUS)
220V ~, 60 Ø105×60T
0.19 4 40 223 6.5 64 1,690 3.2
220V ~, 50 0.20 43 182 4.5 44 1,480
성능곡선
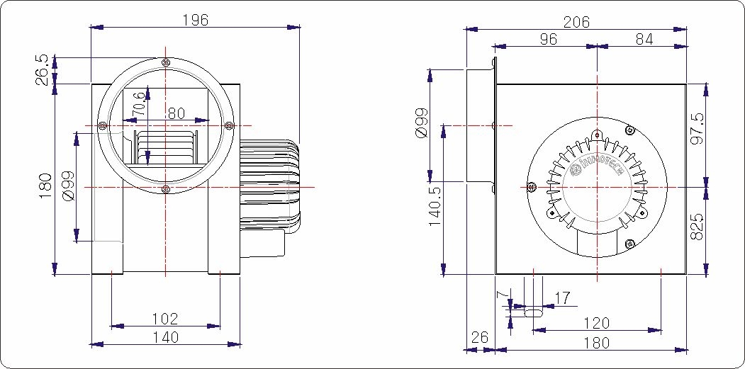
도면치수