터보 믹스드팬
- 모델
- TFX-F31FS,TFX-F31FT,TFX-F36GS,TFX-F36GT,TFX-F39HS,TFX-F39HT
- 제조사
- 팬직
- 특징
-
- 터보 블레이드 장착으로 일반 식당은 물론 중국 음식점, 각종 튀김류
조리식당, 치킨 프랜차이즈점 등의 기름이 많이 발생하는 주방 환기용
- 목재소, 인쇄소, 섬유류 가공공장 등 분진이 많이 발생하는 사업장의 환기용
- 최적의 설계로 정압이 우수하며, 알루미늄 블레이드 채택으로 경량화 구현
- 용도
-
- 빌딩, 아파트 지하상가, 공장, 주택, 작업장, 창고 등의 일반 교환기,
공조 정화. 냉난방 송풍, 급·배기용 (공조설비)
- 각종 기기 조립형 및 기기 냉각 송풍용(정류기, 변압기, 건조기, 용접기, 계측기등)
- 중국 음식점, 치킨 프랜차이즈, 고깃집 등 기름기가 많은 식당 주방 환기
사양
| 모델명 |
날개치수(mm) |
극수(p) |
전원 |
최대풍량(㎥/h) |
최대정압(mmAq) |
전 류(A) |
소비전력(W) |
중 량(Kg) |
| TFX-F31FS |
310 |
4 |
1Ø 220V 50Hz |
3,500 |
48 |
3.3 |
607 |
29 |
| 1Ø 220V 60Hz |
4,200 |
55 |
4.0 |
785 |
| TFX-F31FT |
310 |
4 |
3Ø 220/380V 50Hz |
3,500 |
48 |
2.4/1.4 |
540 |
29 |
| 3Ø 220/380V 60Hz |
4,200 |
55 |
2.8/1.6 |
653 |
| TFX-F36GS |
360 |
4 |
1Ø 220V 50Hz |
6,050 |
64 |
5.7 |
1,050 |
32 |
| 1Ø 220V 60Hz |
7,200 |
71 |
6.7 |
1,408 |
| TFX-F36GT |
360 |
4 |
3Ø 220/380V 50Hz |
6,050 |
64 |
3.3/1.9 |
980 |
32 |
| 3Ø 220/380V 60Hz |
7,200 |
71 |
4.2/2.4 |
1,435 |
| TFX-F39HS |
390 |
4 |
1Ø 220V 50Hz |
8,200 |
71 |
9.9 |
1,700 |
51 |
| 1Ø 220V 60Hz |
9,700 |
80 |
9.7 |
2,075 |
| TFX-F39HT |
390 |
4 |
3Ø 220/380V 50Hz |
8,200 |
71 |
5.8/3.4 |
1,720 |
48 |
| 3Ø 220/380V 60Hz |
9,700 |
80 |
6.9/4 |
2,085 |
성능곡선
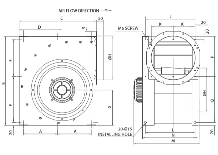
도면치수
| 모델명 |
A |
B |
C |
D |
E |
F |
G |
H |
J |
K |
L |
N |
M |
P |
Q |
R |
| TFX-F31 FS / FT |
230 |
604 |
521 |
290 |
253 |
311 |
240 |
298 |
335 |
148 |
335 |
375 |
447 |
273 |
311 |
33.5 |
| TFX-F36 GS / GT |
255 |
655 |
573 |
320 |
279 |
337 |
278 |
348 |
400 |
160 |
360 |
400 |
472 |
340 |
295 |
20.9 |
| TFX-F39 HS / HT |
283 |
756 |
628 |
368 |
309 |
407 |
309 |
398 |
465 |
213 |
425 |
465 |
564 |
329 |
407 |
65.6 |
악세사리