고정압 시로코팬
- 모델
- TFB-F33HS, TFB-F33HT, TFB-F36KT
- 제조사
- 팬직
- 특징
-
- 사이즈 대비 높은 풍량과 높은 정압
- 저소음형 날개 및 케이싱 설계로 소음을 극소화
- 모터와 팬의 직결형으로 소형·경량화하여 취급 및 설치 간편
- 설치한 상태로 모터와 날개의 분리가 가능하여 점검 및 보수 용이
- 주위 온도 범위 : -10°C에서 +50°C (상온에서 상대습도 90%까지 사용 가능)
- 용도
-
- 빌딩, 아파트, 공장, 창고 등의 일반 교환기, 공기 정화, 냉난방 송품, 급·배기용
- 각종 기기 조립용 및 기기 냉각 송풍용
(정류기, 변압기, 건조기, 용접기, 계측기 등)
사양
| 모델명 |
날개치수(mm) |
극수(p) |
전원 |
최대풍량(㎥/h) |
최대정압(mmAq) |
전 류(A) |
소비전력(W) |
중 량(Kg) |
| TFB-F33HS |
330 |
4 |
1Ø 220V 50Hz |
7,920 |
101 |
11.2 |
2,450 |
42 |
| 1Ø 220V 60Hz |
8,800 |
115 |
16.6 |
3,556 |
| TFB-F33HT |
330 |
4 |
3Ø 220/380V 50Hz |
7,920 |
101 |
9.7 / 5.6 |
3,000 |
41 |
| 3Ø 220/380V 60Hz |
8,800 |
115 |
12.4 / 7.2 |
4,110 |
| TFB-F36KT |
360 |
4 |
3Ø 380V 50Hz |
7,800 |
79 |
8.1 |
3,670 |
57 |
| 3Ø 380V 60Hz |
9,500 |
114 |
10.6 |
6,050 |
성능곡선
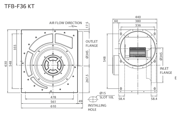
도면치수
악세사리