소형 시로코팬
- 모델
- TFB-F16BS, TFB-F19DS, TFB-F19DT, TFB-G25DS, TFB-G25DT, TFB-F28FS, TFB-F28FT, TFB-G29ES, TFB-G29ET, TFB-F29FS, TFB-F29FT, TFB-F30FS, TFB-F30FT
- 제조사
- 팬직
- 특징
-
- 저소음형 날개 및 케이싱 설계로 소음을 극소화
- 모터와 팬의 직결형으로 소형·경량화하여 취급 및 설치 간편
- 설치한 상태로 모터와 날개의 분리가 가능하여 점검 및 보수 용이
- 주위 온도 범위 : -10°C에서 +50°C (상온에서 상대습도 90%까지 사용 가능)
- 용도
-
- 빌딩, 아파트, 공장, 창고 등의 일반 교환기, 공기 정화, 냉난방 송품, 급·배기용
- 각종 기기 조립용 및 기기 냉각 송풍용
(정류기, 변압기, 건조기, 용접기, 계측기 등)
사양
| 모델명 |
날개치수(mm) |
극수(p) |
전원 |
최대풍량(㎥/h) |
최대정압(mmAq) |
전 류(A) |
소비전력(W) |
중 량(Kg) |
| TFB-F16BS |
160 |
4 |
1Ø 220V 50Hz |
770 |
14 |
0.6 |
121 |
5.6 |
| 1Ø 220V 60Hz |
1,000 |
23 |
0.7 |
195 |
| TFB-F19DS |
180 |
4 |
1Ø 220V 50Hz |
1,400 |
21 |
1.3 |
250 |
11 |
| 1Ø 220V 60Hz |
1,450 |
30 |
1.7 |
260 |
| TFB-F19DT |
180 |
4 |
3Ø 220/380V 50Hz |
1,450 |
21 |
1.5 / 0.9 |
270 |
11 |
| 3Ø 220/380V 60Hz |
1,500 |
31 |
1.4 / 0.8 |
190 |
| TFB-G25DS |
250 |
6 |
1Ø 220V 50Hz |
2,000 |
16 |
1.7 |
350 |
20 |
| 1Ø 220V 60Hz |
2,400 |
24 |
2.1 |
400 |
| TFB-G25DT |
250 |
6 |
3Ø 220/380V 50Hz |
2,000 |
17 |
2.0 / 1.2 |
330 |
20 |
| 3Ø 220/380V 60Hz |
2,400 |
25 |
1.9 / 1.1 |
360 |
| TFB-F28FS |
250 |
4 |
1Ø 220V 50Hz |
3,300 |
40 |
4.9 |
975 |
24 |
| 1Ø 220V 60Hz |
3,800 |
55 |
7.2 |
1,525 |
| TFB-F28FT |
250 |
4 |
3Ø 220/380V 50Hz |
3,350 |
34 |
6.4 / 3.7 |
1,200 |
23 |
| 3Ø 220/380V 60Hz |
3,800 |
52 |
5.7 / 3.3 |
1,600 |
| TFB-G29ES |
250 |
6 |
1Ø 220V 50Hz |
2,600 |
21 |
2.5 |
406 |
22 |
| 1Ø 220V 60Hz |
3,000 |
30 |
2.6 |
520 |
| TFB-G29ET |
250 |
6 |
3Ø 220/380V 50Hz |
2,400 |
19 |
2.1 / 1.2 |
370 |
22 |
| 3Ø 220/380V 60Hz |
2,800 |
29 |
2.0 / 1.1 |
510 |
| TFB-F29FS |
250 |
4 |
1Ø 220V 50Hz |
4,050 |
40 |
6.2 |
1,200 |
25 |
| 1Ø 220V 60Hz |
4,500 |
67 |
8.2 |
1,760 |
| TFB-F29FT |
250 |
4 |
3Ø 220/380V 50Hz |
3,800 |
43 |
4.7 / 2.7 |
1,050 |
25 |
| 3Ø 220/380V 60Hz |
4,500 |
65 |
5.3 / 3.4 |
1,660 |
| TFB-F30FS |
250 |
4 |
1Ø 220V 50Hz |
5,300 |
59 |
7.6 |
1,275 |
28 |
| 1Ø 220V 60Hz |
5,830 |
66 |
8.3 |
1,735 |
| TFB-F30FT |
250 |
4 |
3Ø 220/380V 50Hz |
5,300 |
59 |
4.7 / 2.7 |
1,100 |
28 |
| 3Ø 220/380V 60Hz |
5,830 |
66 |
5.3 / 3.5 |
1,690 |
성능곡선
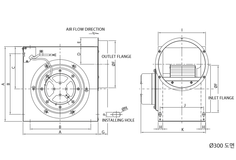
도면치수
| 모델명 |
A |
B |
C |
D |
E |
F |
G |
H |
I |
J |
K |
N |
P |
Duct |
| TFB-F16 ** |
241 |
187 |
133 |
60 |
30 |
150 |
35 |
21.5 |
170 |
150 |
255 |
10 |
10 |
Ø150 |
| TFB-F19 ** |
300 |
240 |
170 |
85 |
30 |
199 |
30 |
21.5 |
185 |
165 |
274 |
16 |
10 |
Ø200 |
| TFB-G25 ** |
380 |
300 |
215 |
105 |
35 |
249 |
50 |
24 |
225 |
205 |
341 |
20 |
12 |
Ø250 |
| TFB-G29 ** |
395 |
320 |
223 |
93 |
47 |
298 |
51.6 |
24 |
250 |
230 |
341 |
20 |
12 |
Ø300 |
| TFB-F29 ** |
395 |
320 |
223 |
93 |
47 |
298 |
51.6 |
24 |
250 |
230 |
341 |
20 |
12 |
Ø300 |
| TFB-F30 ** |
395 |
320 |
223 |
98.6 |
68.3 |
297 |
50 |
24 |
290 |
270 |
393 |
20 |
12 |
Ø300 |