송풍기

Home 송풍기 고온용 시로코 송풍기
소형 시로코 CE 인증용(STEEL: 1.4KW)
모델
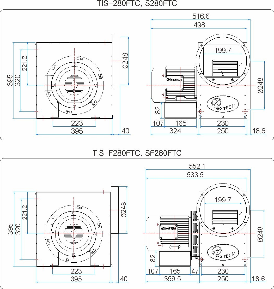
TIS-F280FTC, TIS-280FTC, TIS-SF280FTC, TIS-S280FTC
제조사
이노텍
특징
  • 중간 차단팬 부착 고온용 시로코-팬(흡입온도 150℃ 까지 사용가능).
  • 저소음형 날개 및 케이싱 설계로 저소음 고효율화.
  • 모타와 날개의 직결형으로 소형, 경량화하여 취급 및 설치가 용이.
  • 설치 상태에서 모타와 날개의 분리가 가능해 점검 및 보수용이.
  • 외형의 각형 구조로 시공성 향상.
  • 알루미늄 다이케스팅 모터케이싱 채택으로 냉각효과 극대화. 
용도
  • 공조설비용 : 빌딩,아파트,지하상가,공장,창고 등의 일반환기, 공기조화,
    냉난방송풍, 급배기용.
  • 각종 기기조립 및 기기냉각용 : 변압기,건조기,정류기 등. 
사양
모델
Model
전원
Source
(V, Hz)
날개크기
Impeller Size
(mm)
전류
Current
(A)
극수
Pole
(P)
입력
Input
(W)
최대풍량
Air Volume
(㎥/h)
최대정압
Air Pressure
회전수
Rated Speed
(rpm)
중량
Weight
(Kg)
(mmAq) (Pa)
TIS-280FTC
TIS-S280FTC
380-440V 3~, 60
Ø250×130T 2.8 4 1,400 3,810 65 637 1,710 26.5
380-440V 3~, 50
2.85 900 3,000 45 441 1,455
TIS-F280FTC
TIS-SF280FTC
380-440V 3~, 60
Ø250×130T 2.8 4 1,400 3,810 65 637 1,710 27.0
380-440V 3~, 50
2.85 900 3,000 45 441 1,455
성능곡선
도면치수