송풍기

Home 송풍기 고온용 시로코 송풍기
소형 시로코 고온용(STEEL: 0.4, 1.4, 1.5KW)
모델
TIS-F280FS, TIS-F280FT, TIS-F290FS, TIS-F290FT, TIS-F250GS, TIS-F250GT
제조사
이노텍
특징
  • 중간 차단팬 부착 고온용 시로코-팬(흡입온도 150℃ 까지 사용가능).
  • 저소음형 날개 및 케이싱 설계로 저소음 고효율화.
  • 모타와 날개의 직결형으로 소형, 경량화하여 취급 및 설치가 용이.
  • 설치 상태에서 모타와 날개의 분리가 가능해 점검 및 보수용이.
  • 외형의 각형 구조로 시공성 향상.
  • 알루미늄 다이케스팅 모터케이싱 채택으로 냉각효과 극대화. 
용도
  • 공조설비용 : 빌딩,아파트,지하상가,공장,창고 등의 일반환기, 공기조화,
    냉난방송풍, 급배기용.
  • 각종 기기조립 및 기기냉각용 : 변압기,건조기,정류기 등. 
사양
모델
Model
전원
Source
(V, Hz)
날개크기
Impeller Size
(mm)
전류
Current
(A)
극수
Pole
(P)
입력
Input
(W)
최대풍량
Air Volume
(㎥/h)
최대정압
Air Pressure
회전수
Rated Speed
(rpm)
중량
Weight
(Kg)
(mmAq) (Pa)
TIS-F280FS 220V ~, 60 Ø250×130T 6.3 4 1,360 3,810 65 637 1,725 30.5
220V ~, 50 4.4 870 3,000 45 441 1,460
T1S-F280FT
220-380V 3~, 60
Ø250×130T 4.0-2.3 4 1,250 3,810 65 637 1,710 30.5
220-380V 3~, 50
3.2-1.9 790 3,000 45 441 1,455
TIS-F290FS 220V ~, 60 Ø250×150T
6.9 4 1,450 4,830 66 647 1,690 32.6
220V ~, 50 4.4 910 3,940 46 451 1,450
T1S-F290FT
220-380V 3~, 60
Ø250×150T
4.7-2.7 4 1,460 4,830 66 647 1,710 32.6
220-380V 3~, 50
4.2-2.2 920 3,940 46 451 1,460
TIS-F250GS 220V ~, 60 Ø250×130T
2.0 6 410 2,520 25 245 1,130 27.5
220V ~, 50 1.57 310 2,190 19 186 985
T1S-F250GT
220-380V 3~, 60
Ø250×130T
1.9-1.0 6 400 2,520 25 245 1,150 27.5
220-380V 3~, 50
2.0-1.1 330 2,190 19 186 990
성능곡선
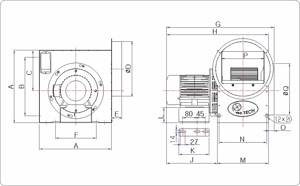
도면치수
모델 A B C D E F G H
J K L M N O P Q
TIS-F250GS
TIS-F250GT
380 300 213 248 40 223 520.2 501.6
277.6 165 74 225 205 18.6 171.5 248
TIS-F280FS
TIS-F280FT
395 320 221 248 40 223 546.2 527.6
277.6 165 82 250 230 18.6 199.7 248
TIS-F290FS
TIS-F290FT
395 320 221 298 56 223 588.6 557.6
277.6 165 82 280 260 31 229 298