송풍기

Home 송풍기 고압 송풍기
고압 송풍기 고온용(ALDC: 0.96, 0.97KW)
모델
TBS-301S, TBT-301S, TBS-302S, TBT-302S
제조사
이노텍
특징
  • 고풍압을 요하는 장소에 적합한 기종으로 강력한 흡입력과 토출되는
    풍압이 크다.
  • 견고한 구조로 취급 및 설치가 용이.
  • 중간 차단팬을 채택한 고온형(흡입온도 150℃ 까지 사용가능).
용도
  • 공장, 상가, 빌딩등의 일반환기, 냉.난방 소풍, 공기조화, 급.배기용으로
    사용.
  • 농축산용(돈사, 계사)비닐하우스, 축사 등의 환기 및 급기.
사양
모델
Model
전원
Source
(V, Hz)
날개크기
Impeller Size
(mm)
전류
Current
(A)
극수
Pole
(P)
입력
Input
(W)
최대풍량
Air Volume
(㎥/h)
최대정압
Air Pressure
회전수
Rated Speed
(rpm)
중량
Weight
(Kg)
(mmAq) (Pa)
TBS-301S 220V ~, 60 Ø275 4.3 2 960 1,620 206 2,019 3,430 22.5
220V ~, 50 3.8 660 1,380 155 1,519 2,960
TBT-301S
220-380V 3~, 60 Ø275
2.8-1.6 2 870 1,620 206 2,019 3,430 21.8
220-380V 3 ~, 50
2.7-1.5 590 1,380 155 1,519 2,960
TBS-302S 220V ~, 60 Ø275 4.4 2 970 1,710 215 2,107 3,450 23.8
220V ~, 50 4.0 680 1,500 165 1,617 2,960
TBT-302S
220-380V 3~, 60 Ø275
2.9-1.7 2 906 1,710 215 2,107 3,450 22.2
220-380V 3 ~, 50
2.7-1.5 583 1,500 165 1,617 2,960
성능곡선
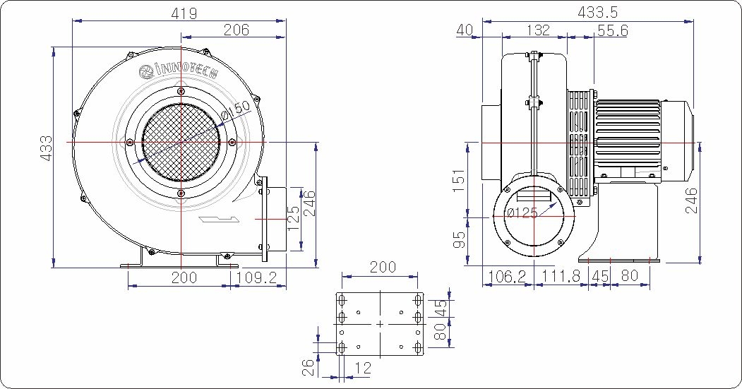
도면치수