
| 모델 Model |
전원 Source (V, Hz) |
날개크기 Impeller Size (mm) |
전류 Current (A) |
극수 Pole (P) |
입력 Input (W) |
최대풍량 Air Volume (㎥/h) |
최대정압 Air Pressure |
회전수 Rated Speed (rpm) |
중량 Weight (Kg) |
|
| (mmAq) | (Pa) | |||||||||
| TBS-230 | 220V ~, 60 | Ø180 | 1.5 | 2 | 320 | 660 | 120 | 1,176 | 3,440 | 11.7 |
| 220V ~, 50 | 1.2 | 342 | 570 | 90 | 882 | 2,970 | ||||
| TBT-230 |
220-380V 3~, 60 | Ø180 |
1.0-0.6 | 2 | 290 | 660 | 120 | 1,176 | 3,300 | 11.9 |
| 220-380V 3 ~, 50 |
1.1-0.8 | 230 | 570 | 90 | 882 | 2,850 | ||||
| TBS-270 | 220V ~, 60 | Ø205 | 3.2 | 2 | 670 | 1,200 | 170 | 1,666 | 3,430 | 16.2 |
| 220V ~, 50 | 2.5 | 450 | 1,080 | 130 | 1,274 | 2,960 | ||||
| TBT-270 |
220-380V 3~, 60 | Ø205 |
2.0-1.2 | 2 | 614 | 1,200 | 170 | 1,666 | 3,430 | 16.1 |
| 220-380V 3 ~, 50 |
1.7-1.0 | 412 | 1,080 | 130 | 1,274 | 2,960 | ||||


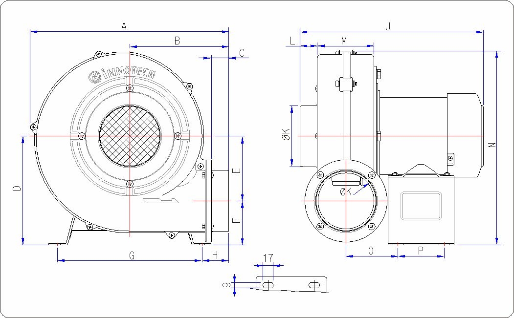
| 모델 | A | B | C | D | E | F | G | H |
| J | K | L | M | N | O | P | - | |
| TBS/T-230 | 319 | 159 | 28 | 175 | 104 | 71 | 232 | 43 |
| 294 | 98 | 27.5 | 91 | 312 | 83.5 | 74 | - | |
| TBS/T-270 | 379 | 195 | 36 | 218.5 | 128 | 90.5 | 260 | 68.5 |
| 335 | 125 | 37.5 | 115 | 392 | 87.5 | 74 | - |