송풍기

Home 송풍기 소형 송풍기
소형 송풍기105 (스테인리스)
모델
TB-105SS
제조사
이노텍
특징
  • 저소음, 고풍량.
  • 고정압형.
용도
  • 국부 배기 및 급기용, 버너 공기 공급용.
  • 기계 부착 및 집진장치용.
  • 사각형(Square Type)Flange.
사양

모델
Model
전원
Source
(V, Hz)
날개크기
Impeller Size
(mm)
전류
Current
(A)
극수
Pole
(P)
입력
Input
(W)
최대풍량
Air Volume
(㎥/h)
최대정압
Air Pressure
회전수
Rated Speed
(rpm)
중량
Weight
(Kg)
(mmAq) (Pa)
TB-105SS 220V ~, 60 Ø105×50T 0.31 2 69 300 37 363 3,070 2.1
220V ~, 50 0.23 51 240 32 314 2,730


성능곡선
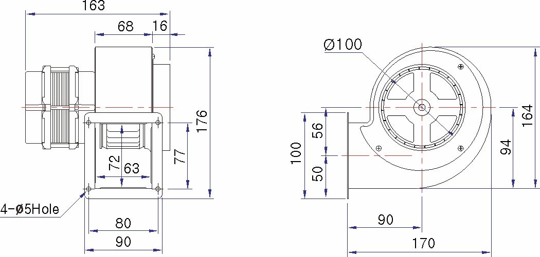
도면치수