
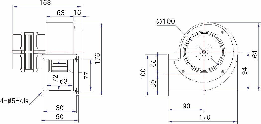
| 모델 Model |
전원 Source (V, Hz) |
날개크기 Impeller Size (mm) |
전류 Current (A) |
극수 Pole (P) |
입력 Input (W) |
최대풍량 Air Volume (㎥/h) |
최대정압 Air Pressure |
회전수 Rated Speed (rpm) |
중량 Weight (Kg) |
|
| (mmAq) | (Pa) | |||||||||
| TB-105 | 220V ~, 60 | Ø105×50T | 0.31 | 2 | 69 | 300 | 37 | 363 | 3,070 | 2.1 |
| 220V ~, 50 | 0.23 | 51 | 240 | 32 | 314 | 2,730 | ||||

