송풍기

Home 송풍기 소형 송풍기
소형 송풍기 고온용 95(STEEL: 47W)
모델
TB-95F
제조사
이노텍
특징
  • 저소음 고풍량.
  • 중간 차단팬을 채택한 고온형(흡입온도 150 까지 사용가능)..
  • 고정압형.
용도
  • 국부배기 및 급기용, 버너공기 공급용.
  • 기계부착 및 집진장치용.
  • 사각(Square Type) Flange.
사양

모델
Model
전원
Source
(V, Hz)
날개크기
Impeller Size
(mm)
전류
Current
(A)
극수
Pole
(P)
입력
Input
(W)
최대풍량
Air Volume
(㎥/h)
최대정압
Air Pressure
회전수
Rated Speed
(rpm)
중량
Weight
(Kg)
(mmAq) (Pa)
TB-95F 220V ~, 60 Ø88×40T 0.21 2 47 162 22 216 3,140 1.30
220V ~, 50 0.10 25 128 18 176 2,730


성능곡선
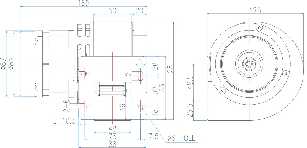
도면치수