
| 모델 Model |
전원 Source (V, Hz) |
날개크기 Impeller Size (mm) |
전류 Current (A) |
극수 Pole (P) |
입력 Input (W) |
최대풍량 Air Volume (㎥/h) |
최대정압 Air Pressure |
회전수 Rated Speed (rpm) |
중량 Weight (Kg) |
|
| (mmAq) | (Pa) | |||||||||
| TIP-400S-1 | 220V ~, 60 | Ø370 | 2.0 | 4 | 370 | 6,060 | 30 | 294 | 1,620 | 27.5 |
| 220V ~, 50 | 1.4 | 280 | 5,272 | 23 | 225 | 1,415 | ||||
| TIP-400T-1 | 220-380V ~, 60 | Ø370 | 1.2-0.7 | 4 | 300 | 6,060 | 30 | 294 | 1,650 | 27.3 |
| 220-380V ~, 50 | 1.2-0.7 | 210 | 5,272 | 23 | 225 | 1,435 | ||||
| TIP-500S-1 | 220V ~, 60 | Ø470 | 4.0 | 4 | 810 | 10,560 | 39 | 382 | 1,680 | 39.2 |
| 220V ~, 50 | 3.3 | 690 | 8,970 | 29 | 284 | 1,465 | ||||
| TIP-500T-1 | 220-380V ~, 60 | Ø470 | 2.4-1.4 | 4 | 690 | 10,560 | 39 | 382 | 1,690 | 39.0 |
| 220-380V ~, 50 | 2.0-1.0 | 440 | 8,970 | 29 | 284 | 1,455 | ||||


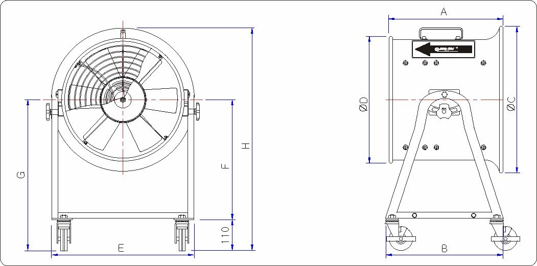
| 모델 | A | B | C | D | E | F | G | H |
| TIP-400S-1/T-1 | 360 | 500 | 465 | 398 | 500 | 430 | 540 | 735 |
| TIP-500S-1/T-1 | 390 | 585 | 580 | 498 | 575 | 450 | 560 | 930 |