환기팬

Home 환기팬 사류덕트 팬
사류 덕트(20B, 25B, 30B) 이노텍
모델
TJF-20B, TJF-25B, TJF-30B
제조사
이노텍
특징
  • 합성수지(나일론 그라스: 30%)케이싱.
  • 저소음형 날개 설계(유체역학적 터보형 사류날개).
  • 경량화된 몸체 고정부의 방진고무 부착으로 시공이 용이.
용도
  • 빌딩, 아파트, 호텔, 병원 등 일반환기용.
  • 열악한 환경, 지하시설 등의 급배기용. 
사양

모델
Model
전원
Source
(V, Hz)
날개크기
Impeller Size
(mm)
전류
Current
(A)
극수
Pole
(P)
입력
Input
(W)
최대풍량
Air Volume
(㎥/h)
최대정압
Air Pressure
회전수
Rated Speed
(rpm)
중량
Weight
(Kg)
(mmAq) (Pa)
TJF-20B 220V ~, 60 Ø230 0.22 4 44 840 20 196 1,615 4.4
220V ~, 50 0.28 47 720 15 147 1,420
TJF-25B 220V ~, 60 Ø320 0.48 4 99 1,440 30 294 1,625 6.0
220V ~, 50 0.34 72 1,220 23 225 1,420
TJF-30B 220V ~, 60 Ø350 1.0 4 214 2,520 40 392 1,660 11.0
220V ~, 50 1.2 172 2,410 30 294 1,425


성능곡선
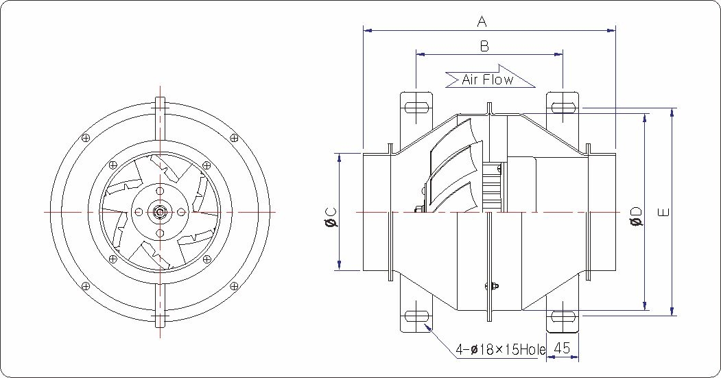
도면치수

모델ABCDE
TJF-20B295140198268300
TJF-25B
350180248338350
TJF-30B
400240298378393