소형 고압팬
- 모델
- TFP-F20ASE ~ TFP-F45ET
- 제조사
- 팬직
- 특징
-
- 저소음형 날개 엑스트라 팬 채택
- 내식성, 방진성
- 용도
-
- 저소음을 요구하는 공장, 작업장, 창고, 식당 등
- 각종 기기 조립
사양
| 모델명 |
날개치수(mm) |
전원 |
극수(p) |
최대풍량(㎥/h) |
소비전력(W) |
전 류(A) |
중 량(Kg) |
| TFP-F20ASE |
210 |
1Ø 220V 50Hz |
4 |
520 |
30 |
0.2 |
3 |
| 1Ø 220V 60Hz |
750 |
30 |
0.3 |
| TFP-F25ASE |
250 |
1Ø 220V 50Hz |
4 |
880 |
40 |
0.1 |
4 |
| 1Ø 220V 60Hz |
1,200 |
40 |
0.3 |
| TFP-F30BSE |
300 |
1Ø 220V 50Hz |
4 |
1,250 |
58 |
0.3 |
5 |
| 1Ø 220V 60Hz |
1,500 |
60 |
0.3 |
| TFP-F35CSE |
350 |
1Ø 220V 50Hz |
4 |
2,250 |
106 |
0.5 |
8 |
| 1Ø 220V 60Hz |
2,800 |
95 |
0.5 |
| TFP-F40DSE |
400 |
1Ø 220V 50Hz |
4 |
3,500 |
146 |
0.7 |
9 |
| 1Ø 220V 60Hz |
4,000 |
140 |
0.7 |
| TFP-G45ES |
450 |
1Ø 220V 50Hz |
6 |
4,300 |
182 |
0.8 |
16 |
| 1Ø 220V 60Hz |
5,500 |
170 |
0.9 |
| TFP-F45ES |
450 |
1Ø 220V 50Hz |
4 |
5,500 |
447 |
2.1 |
16 |
| 1Ø 220V 60Hz |
6,700 |
400 |
2.0 |
| TFP-F45ET |
450 |
3Ø 380V 50Hz |
4 |
5,800 |
405 |
0.7 |
16 |
| 3Ø 380V 60Hz |
6,400 |
390 |
0.8 |
성능곡선
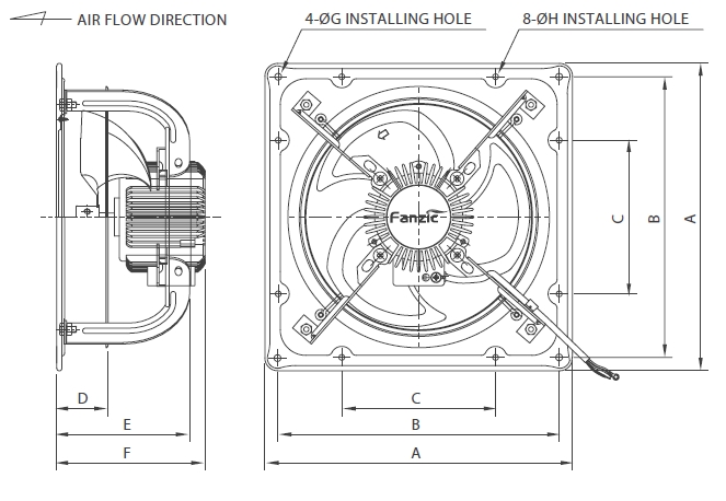
도면치수
| 모델명 | A | B | C | D | E | F | G | H |
| FTP-F20 AS |
300 |
274 |
150 |
50 |
130 |
145 |
6.5 |
5.5 |
| TFP-F25 AS |
350 |
325 |
160 |
50 |
157 |
167 |
6.2 |
6.5 |
| TFP-F30 BS |
400 |
370 |
200 |
50 |
161 |
171 |
8.5 |
8.5 |
| TFP-F35 CS |
440 |
405 |
200 |
60 |
175 |
185 |
8.5 |
8.5 |
| TFP-F40DS |
490 |
450 |
240 |
70 |
178 |
188 |
10.5 |
10.5 |
| TFP-G / F45 ES |
605 |
560 |
280 |
85 |
225 |
260 |
10.5 |
8×5L |
| TFP-F45 ET |